Lähetä viesti
Tuotteeseen liittyvissä kysymyksissä voit ottaa meihin yhteyttä tällä lomakkeella. Vastaamme mahdollisimman nopeasti!
"*" näyttää pakolliset kentät
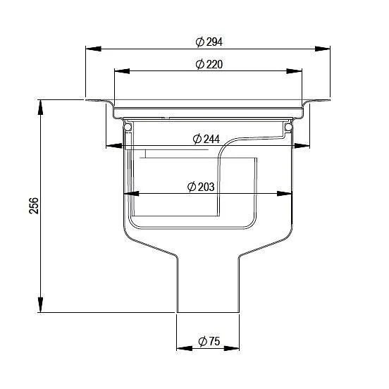
Lattiakaivo Heavy 75 R on 75mm viemäriliitoksella oleva pystykaivo, joka voidaan asentaa betonirakenteeseen.
| Tuotekoodi | 442370 |
|---|---|
| LVI-numero | 3309134 |
| Pakkauskoko | 1 kpl |
Lattiakaivo Heavy 75 R on 75mm viemäriliitoksella oleva pystykaivo, joka voidaan asentaa betonirakenteeseen. Toimitukseen sisältyy: irrotettava hst – vesilukko, automaattinen kiristysrengas ja rst-kansi. Lattiakaivo on varustettu suojakannella, joka suojaa kaivoa valun yhteydessä.
Automaattista kiristysrengasta käytetään sekä vedeneristyksen että muovimaton liittämisessä kaivoon. Itsesäätyvä kiristysrengas soveltuu muovimatoille joiden paksuus on 1,5 mm – 2 mm.
Lattianpäällyste: Betoni/massa/laatta/muovimatto
Pitkäikäinen kestävä materiaali. Hyvä kemikaalinkestävyys. Hyvä korroosionkesto. Rotta/tuhoeläinkestävä. Kierrätettävä materiaali. Irroitettava vesilukko.
| Myyntiyksikkö | kpl |
|---|---|
| Käyttöyksikkö | kpl |
| Muunnoskerroin | 1 |
| Myyntiyksikön pituus (mm) | 310 |
|---|---|
| Myyntiyksikön leveys (mm) | 310 |
| Myyntiyksikön korkeus (mm) | 300 |
| Myyntiyksikön paino (kg) | 3.400 |
Tuotteeseen liittyvissä kysymyksissä voit ottaa meihin yhteyttä lomakkeella. Vastaamme mahdollisimman nopeasti!